杜安环保QJB0.37/6-220/3-980S潜水搅拌机带提升架 包安装调试
杜安环保QJB0.37/6-220/3-980S潜水搅拌机带提升架 包安装调试
产品价格:¥1888(人民币)
  • 规格:QJB0.37/6-220/3-980S
  • 发货地:江苏南京
  • 品牌:
  • 最小起订量:1台
  • 免费会员
    会员级别:试用会员
    认证类型:企业认证
    企业证件:通过认证

    商铺名称:杜安环保设备(江苏)有限公司

    联系人:李男(先生)

    联系手机:

    固定电话:

    企业邮箱:63582753@qq.com

    联系地址:六合区雄州工业园区腾飞路

    邮编:211500

    联系我时,请说是在瑞启化工网上看到的,谢谢!

    商品详情

      杜安环保QJB0.37/6-220/3-980S潜水搅拌机带提升架 包安装调试

      潜水推流搅拌机技术说明:

      杜安环保QJB潜水搅拌机结构性能:

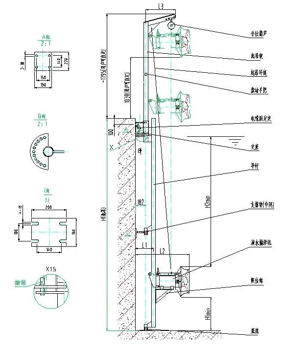
      潜水搅拌机由潜水电机、搅拌叶轮、密封机构、水下密封电缆、轴承、机械密封、安装系统、电控设备等部分

      构成。

      总体要求如下:

      1潜水搅拌机安装轴承罩、主轴、叶轮、电缆和导杆与提升装置。

      2、接触被搅拌污泥混合液的潜水搅拌机部件的材质,适用于污泥混合液的特性,而且能耐磨损和腐蚀。同时,搅拌器创建水流,加强搅拌功能,防止污泥沉淀及产生死角。

      3、每台搅拌器及其附属设备的布置便于操作、维修和拆卸,而且不中断装置的运行。

      4、导轨系统可自由调整潜水搅拌机的提升和下降,并无需排空水池情况下拆卸和安装搅拌

      器,潜水搅拌机全部的重量受力在一个支架上,并且这个支架可承受搅拌器产生的推力。

      5、为便于检修搅拌机,需安装提升系统,包括导轨、提升索、水上提升支架和电缆固

      定件等。搅拌机壳体结构由方便固定提升索的设计或配置,安装搅拌器也不必把池子防空。

      6潜水搅拌机的电机壳体由优质不锈钢制造,壳体厚度足以承受荷载,其表面加工平整光滑。

      7、叶轮用不锈钢制造,且经动平衡实验。叶轮与轴中间应装有锁定装置,以防转动时

      松动,叶片设计需考虑自清洁及免振功能。

      8潜水搅拌机的电机和叶轮采用直联式传动方式,轴由不锈钢制造,轴能承受所有轴向和

      径向载荷。

      9、潜水搅拌机的防护等级为 IP68,绝缘等级为 F,潜水电机可连续运行,每小时可启

      动至少 15 次,潜水电机为全铜线圈,使用周期长,易维护保养。

      潜水搅拌机主要零部件材料:

      电机壳体     SS304 不锈钢

      主轴         2Cr13

      叶桨         SS304 不锈钢

      提升系统     SS304 不锈钢

      提升钢丝绳     SS304 不锈钢

      水下安装系统 SS304 不锈钢

      紧固件(螺栓、螺母、垫片) SS304 不锈钢导轨架 SS304 不锈钢

      机械密封 双端面机械密封,耐腐蚀的碳化钨/SS304 不锈钢(外露紧固件)

      杜安环保QJB潜水搅拌机性能保证:

      ①设备整体装配后,搅拌器的叶轮经动、平衡实验,并提交检测报告。

      ②在现场安装后对清水徜徉面进行负荷试验,现场试验是为了证明安装的机械设备

      满足技术文件说明和机械性能要求。

      ③噪音控制要求: 在距离设备 1 米远处,噪音将在 85dB(A)分贝以下。

      潜水搅拌机性能考核方法:

      1)性能考核必须在装置达到平稳运行后开始,所有性能保证值的测试时间至少要持续

      72 小时连续正常运行,每 2 小时测量一次,将取其平均值作为考核结果;

      2)如果性能考核被迫中断,则应重新开始性能考核。

      3)性能考核应考虑计量和分析的允许误差,计量仪表配置要满足 GB17167-2006 及仪表计量工程规定。

      QJB潜水搅拌机的操作说明:

      在进行设备使用之前保证潜水搅拌机与电源切断,并且没有其他的意外操作,为了避免受伤,务必要留意损坏和磨坏的机械零件的安全状态,这样才能够保证整个机器的稳定性,确保他不会向下滚动或者是倒下,这样可能会对操作人员造成一定的伤害.

      冲压式潜水搅拌机又被称为潜水推进器,它可以用在污水处理厂的工艺流程中推进搅拌,还有悬浮物的污水能够加强搅拌的功能,可以防止污泥沉淀,因此它可以用在很多工业化工生产的过程之中,但是如果对这些设备进行长期的使用而不进行保护和维护,那么很可能是他的效率降低,以至于到后他会被废弃,须要能够采取正确的维护工作。

      质保一年

      提供线上或现场指导安装调试

      木箱包装

      物流送货

    0571-87774297