商铺名称:四川华芯高工电子有限公司
联系人:邹(先生)
联系手机:
固定电话:
企业邮箱:hxggdz@sina.com
联系地址:四川 成都市 青羊区 西大街84号1-1幢15层1506号
邮编:
联系我时,请说是在瑞启化工网上看到的,谢谢!
--------------------------------【以上页面标价非成交价,请联系详询报价】--------------------------------
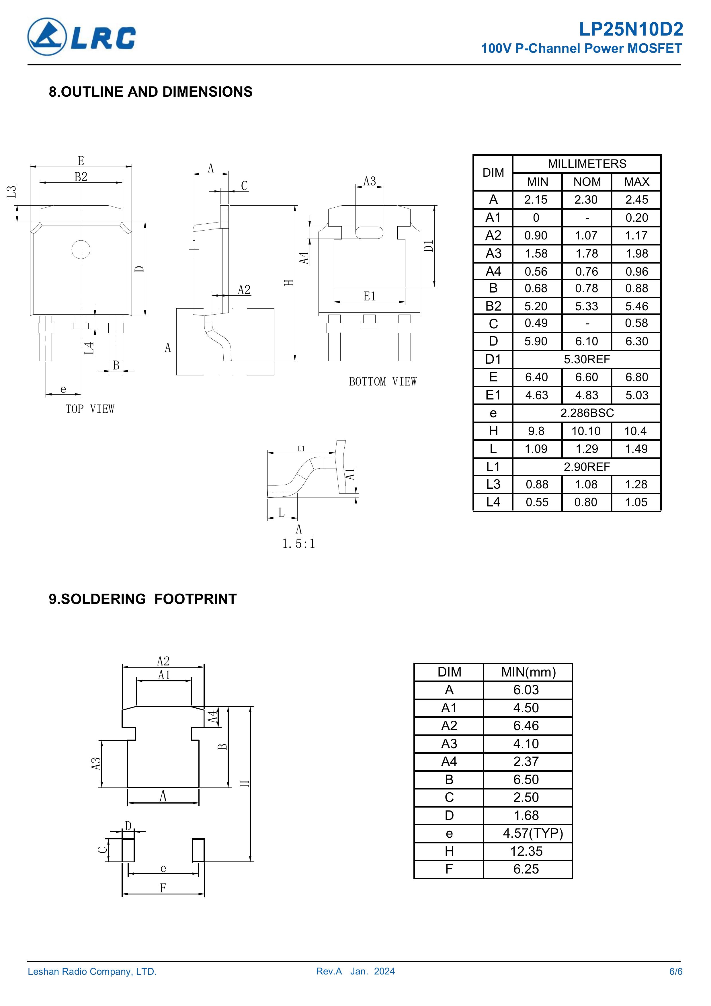
LRC/乐山无线电 LP25N10D2 全新原厂原装中低压高频功率控制电子开关管,P型沟道场效应管-100V、-25A、45mΩ、P-Channel、贴片式中低压MOSFET:LP25N10D2/25N10。Vds电压:-100V;Id电流:-25A;Rds(on)内阻:45mΩ;封装方式:TO-252-2L;最小包装数量:2500pcs/盘-编带。
LP25N10D2 大芯片中低电压大电流低内阻低漏电的分立式功率整流晶体开关管。本品采用内置大尺寸芯片,贴片式封装,,具有适应中低电压低内阻损耗高频高效恢复等电气特性特点。通用于电源、小家电、锂电池、马达电机、电动工具、无人机、电器、适配器、充电器、逆变器、充电桩、特种电源、高频电源、风光储新能源、医疗设备、工业工控等产品电路作电子开关、控制、整流、放大、钳位、防反接、防逆回流等作用。





LP25N10D2/25N10 中低压MOSFET,以其性能和广泛的应用场景,成为电子设备性能提升的得力助手。无论是追求能效的电源管理,还是需要稳定运行的电机驱动,都能满足您的需求。选择华芯高工电子,选择踏实安心,让我们共同助力电子设备的技术飞跃!