商铺名称:泰兴市昌泰减速机有限公司
联系人:薛先生(先生)
联系手机:
固定电话:
企业邮箱:1553918336@qq.com
联系地址:泰兴市姚王镇鲁堡
邮编:225400
联系我时,请说是在瑞启化工网上看到的,谢谢!
泰兴硬齿面减速机-昌泰公司,现货供应ZLY200硬齿面齿轮减速机,各传动比规格型号齐全,现货库存,款到发货,性价比高。具体型号有:
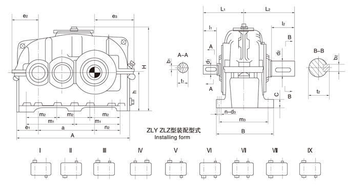
ZLY200-6.3,ZLY200-7.1,ZLY200-8,ZLY200-9,ZLY200-10,ZLY200-11.2,ZLY200-12.5,ZLY200-14,ZLY200-16,ZLY200-18,ZLY200-20,每一传动比均有九种装配型式,库存充足,款到发货,满足客户生产需要。
ZLY硬齿面减速机为双级齿轮减速机,平行轴结构,它是一种相对精密的机械,使用它的目的是降低转速,增加转矩,适用于高速轴转速不大于1500转/分,齿轮传动圆周速度不大于20米/秒,工作环境温度为-40℃—45℃的环境中。广泛应用于冶金、矿山、起重、运输、水泥、建筑、化工、纺织、印染、制药等领域。硬齿面减速机,是一种动力传达机构,其利用齿轮的速度转换器,将电机的回转数减速到所要的回转数,并得到较大转矩的装置。



硬齿面减速机的齿轮采用高强度低碳合金钢经渗碳淬火而成,齿面硬度高,齿轮均采用数控磨齿工艺,精度高,接触性好,传动效率高,运转平稳,噪音低;体积小、重量轻、使用寿命长、承载能力高;易于拆检,易于安装。
2、齿轮参数、结构经过计算机优化设计。
3、齿轮采用优质高强度低碳合金钢经渗碳淬火磨齿。齿面硬度高,齿轮精度达国际标准6级。
4、传动效率高、噪声低、承载能力达世界先进水平。