多回转普通型 Z180阀门电动装置
多回转普通型 Z180阀门电动装置
产品价格:¥2100(人民币)
  • 规格:RST-Z180-18W
  • 发货地:扬州
  • 品牌:
  • 最小起订量:1台
  • 免费会员
    会员级别:试用会员
    认证类型:企业认证
    企业证件:通过认证

    商铺名称:江苏莱斯特测控技术有限公司

    联系人:杨俊杰(先生)

    联系手机:

    固定电话:

    企业邮箱:111345810@qq.com

    联系地址:江苏省扬州市邗江区高新产业园华钢路号

    邮编:225100

    联系我时,请说是在瑞启化工网上看到的,谢谢!

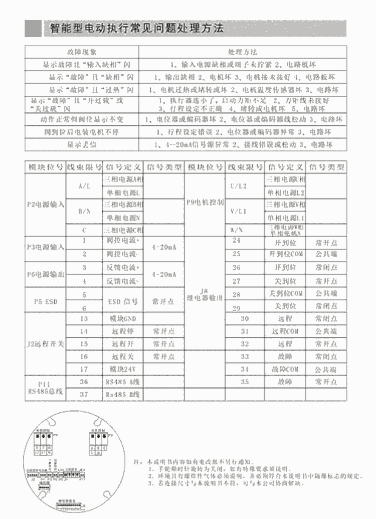
    商品详情
    0571-87774297