商铺名称:天津德石顿电气设备有限公司
联系人:姚先生(先生)
联系手机:
固定电话:
企业邮箱:deschtone@126.com
联系地址:天津市京津洲河科技园
邮编:301900
联系我时,请说是在瑞启化工网上看到的,谢谢!

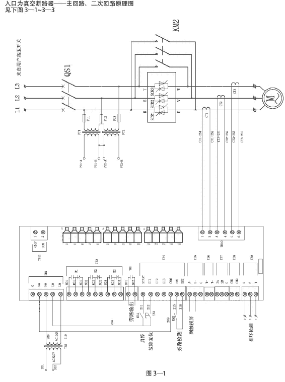
■ DMVS580A起动方式:转矩斜坡起动、功率斜坡起动、电压斜坡起动、电流斜坡起动;
■DMVS580A停止方式:转矩减速停车、直流制动停车、自由停车、电压减速停车。
■DMVS580A具有电流、速度双闭环控制功能。
■DMVS580A具有功率闭环起动功能,更有就地控制输出功率;
■DMVS580A具有转矩减速停车和直流制动停车,尤其适用惯性大负载停车;
■DMVS580A具有可编程多功能输入输出端子。
■DMVS580A具有低压检测功能。
■DMVS580A具有无电流运行、停机状态有电流检测功能。
■DMVS580A 具有电机预热功能。
■DMVS580A 具有可编程低速点动控制。
■DMVS580A 具有正反转功能。
■DMVS580A 具有多重过电压吸收、保护技术。
■DMVS580A 在起动过程和旁路运行中均具有在线保护监测电机状态的功能。
■DMVS580A具有可侦测电源相序功能。
■DMVS580A具有触摸屏中英文操作界面,可用于设置和检查运行参数,提供状态信息,提供线电流、电压、功 率、频率、过载等实时信息,提供故障及其发生时间和原因信息。
■DMVS580A高压软起动装置自身的自诊断功能
■DMVS580A 具有多达40多项的故障诊断及存储、报警功能,且报警指示功能与故障类型一一对应,可以方便用户 查询,大大减少维护、维修工作量。