希然制造YH5WZ -84/221*YH5WZ -90/235
希然制造YH5WZ -84/221*YH5WZ -90/235
产品价格:(人民币)
  • 规格:YH5WZ -84/221*YH5WZ -90/235
  • 发货地:浙江温州市
  • 品牌:
  • 最小起订量:1组
  • 免费会员
    会员级别:试用会员
    认证类型:企业认证
    企业证件:通过认证

    商铺名称:安徽希然电气有限公司

    联系人:张苗(小姐)

    联系手机:

    固定电话:

    企业邮箱:3523646375@qq.com

    联系地址:

    邮编:

    联系我时,请说是在瑞启化工网上看到的,谢谢!

    商品详情
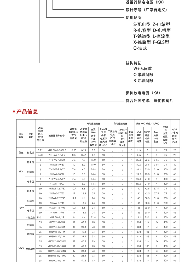
      YH5WZ -84/221*YH5WZ -90/235简介:金属氧化物避雷器是电力系统各类电气设备(变压器,电抗器,发电机,电动机,PT,CT,断路器,接触器等)绝缘配合的基础,由避雷器的保护性能确定电力系统所有电气设备的内外绝缘指标(短时工频耐压,雷电冲击耐压和操作冲击耐压等)。
      该产品的核心工作元件采用以氧化锌为主的多元素金属氧化物粉末烧制,具有优异的非线性伏-安特性,陡波响应快,通流容量大。有间隙产品采用自吹间隙,带均压照射结构,降低了放电的分散性,冲击系数小。
      复合绝缘外套的采用,顺应了国际电力产品小型化,安全化,免维护的发展趋势。高分子有机复合材料与传统的陶瓷和玻璃等无机材料相比,具有体积小,重量轻,耐污秽免清扫,防爆防震动的优点。是集成化,模块化的中高压输变电成套设备中优选的防雷元件。
      HY5WZ-84/221*HY5WZ-90/235用途及执行标准:
      本产品型号按JB/T8459-1996《避雷器产品型号编制方法》规定进行编制,无间隙产品执行GB11032-2000《交流无间隙金属氧化物避雷器》标准;有间隙产品执行JB/T9672-2005《有串联间隙金属氧化物避雷器》标准。对以上标准中未明确定义的重要参数及配置方式,按DL/T620-1997《交流电气装置的过电压保护和绝缘配合》的要求修正执行。




    0571-87774297