商铺名称:深圳市世微半导体有限公司
联系人:郑(先生)
联系手机:
固定电话:
企业邮箱:3004893308@qq.com
联系地址:深圳市宝安区西乡街道华源科技创新园B座二区326
邮编:518100
联系我时,请说是在瑞启化工网上看到的,谢谢!
| 产品参数 | |||
|---|---|---|---|
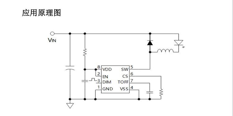
| AP5170 带PWM/线性调光 宽电压降压恒流驱动IC 电动车灯芯片 品牌 | AP/世微 | ||
| 调光 | PWM/线性调光 | ||
| 宽输入电压范围 | 5-100V | ||
| MOS | 内置100V功率管 | ||
| 保护功能 | 过温保护 | ||
| 工作温度 | -40-125℃ | ||
| 输出电压 | 9V | ||
| 效率 | 95 | ||
| 工作频率 | 300KHz | ||
| 峰值电流采样电压 | 250mV | ||
| 内置 | 100V 功率管及 5.6V 稳压管 | ||
| 封装 | ESOP8 | ||
| 数量 | 500000000 | ||
| 批号 | 22 | ||
| 可售卖地 | 全国 | ||
| 型号 | AP5170 | ||
.jpg)


.jpg)
.jpg)