VT-DFP-A-21/G24K0/0/V
VT-DFP-A-21/G24K0/0/V
产品价格:¥342(人民币)
  • 规格:VT-DFP-A-21/G24K0/0/V
  • 发货地:湖北
  • 品牌:
  • 最小起订量:1台
  • 诚信商家
    会员级别:金牌会员
    认证类型:企业认证
    企业证件:通过认证

    商铺名称:武穴黎翔机电设备有限公司

    联系人:黎翔(先生)

    联系手机:

    固定电话:

    企业邮箱:704552157@qq.com

    联系地址:湖北黄冈武穴市

    邮编:435400

    联系我时,请说是在瑞启化工网上看到的,谢谢!

    商品详情
      VT-DFP-A-21/G24K0/0/V

      武穴黎翔机电设备有限公司,询价联系人:何女士

      询价电话:0713-6542758,手机:18934630908    

      询价传真:0713-6542758

      询价QQ: 736567721,704552157

      现货特价型号:4WEH16E7X/6HG24N9ETK4/B10  2

      The output signal of the ramp generator [4] is fed in parallel to the
      summator [6] and the step function generator [5].At command value
      voltages > ± 1 % the step function generator generates a polaritydependent
      step-change signal that is added to the output signal of
      the ramp generator. This step function results in the fact that the
      overlap section of the valve spool is passed quickly. At higher command
      value voltages, the step function generator outputs a constant
      output signal.

      The output signal of the summator [6] is the command value current
      value that is fed to the two current regulators [7] and to measuring
      socket "w" on the front panel of the card. A voltage of 6 V at the
      command value measuring socket corresponds to a command value




      up by controlling associated relays (K1 to K4). The command value
      voltage is applied either directly through regulated ± 9 V voltages of
      the power supply unit [9] or via an external command value potentiometer.
      For these inputs, ± 9 V = ± 100 % 1) is valid. If these four
      command value inputs are connected directly to the regulated voltages
      of ± 9 V, then four different command values can be set using potentiometers
      R1 to R4. When using external command value potentiometers
      at these inputs the internal potentiometers act as attenuators
      or limiters, unless they are set to maximum.
      External command value potentiometers力士乐放大板0811405144 VT-SSPA1-508-2X/V0原装装进口 
      力士乐放大板0811405144 VT-SSPA1-508-2X/V0原装装进口现货处理
      具体型号介绍:
      0811405060  VT-VRRA1-527-20/VO
      0811405178 VT-VRPA1-537-1X/V0/QV-RTS
      0811405177 VT-VRPA1-527-1X/V0/QV-RTS
      0811405174 LEITERPLATTEBEST.
      0811405173 VT-PA-5
      0811405172 VT-GPCPD-500-10/V0/C
      0811405171 VT-SSBD2-500-10/V0/A-2E
      0811405170 VT-SSBD2-500-10/V0/A
      0811405169 VT-SSBD1-500-10/V0/A
      0811405168 VT-PE-TB3
      0811405167 VT-PE-TB2
      0811405166 VT-PE-TB1
      0811405164 VT-SWMA5-5-1X/V0/0
      0811405163 VT-PA-2
      0811405162 VT-SSPA1-508-20/V0/I
      0811405160 VT-VPRAP1-540-10/V0/T-SI
      0811405159 VT-VPRAP1-540-10/V0/SI
      0811405158 VT-VACAP-500-20/V0/2CH
      0811405157 VT-VACAP-500-20/V0
      0811405156 VT-VARAP1-527-20/V0/3/2VAX
      0811405155 VT-VARAP1-527-20/V0/2STV
      0811405154 VT-VARAP1-537-20/V0/5/3V
      0811405153 VT-VARAP1-537-20/V0
      0811405152 VT-VARAP1-527-20/V0
      0811405151 VT-NE502-1X/V0/0
      0811405150 VT-VACAS-500-10/V0/HRV
      0811405149 VT-VACAP-500-10/V0/2CH
      0811405148 VT-VRRA1-527-10/V0/RV
      0811405147 VT-VACAF-500-10/V0
      0811405146 VT-VNE1-5-1X/V0/0
      0811405145 VT-SSPA1-525-20/V0/I
      0811405144 VT-SSPA1-508-20/V0
      0811405143 VT-SSPA1-525-20/V0
      0811405141 VT-KACAB-500-10/V0
      0811405140 VT-MACAS-500-10/V0/I现货
      0811405139 VT-MACAS-500-10/V0
      0811405138 VT-VRPA2-537-10/V0/RTS
      0811405137 VT-VRPA2-527-10/V0/RTS
      0811405135 VT-VARAM1-527-10/V0/TIME
      0811405134 VT-VARAM2-537-10/V18
      0811405133 VT-VARAM1-527-10/V18
      0811405132 VT-VACDS-500-10/V0/AMS
      0811405131 VT-VACDS-500-10/V0/DMS
      0811405129 VT-VACDS-500-10/V0/DM
      0811405128 VT-VACAI-500-10/V0/VLRD
      0811405126 VT-MSPA1-508-10/V0
      0811405125 VT-VPRAP1-540-10/V0/T
      0811405124 VT-VACAP-500-10/V0
      0811405123 VT-VRRA1-527-10/V0
      0811405122 VT-MARAM1-537-10/V0/X2
      0811405121 VT-SWMA4-5-1X/V0/0
      0811405120 VT-VRPA2-537-10/V0/RTP
      0811405119 VT-VRPA2-527-10/V0/RTP
      0811405118 VT-PA-1
      0811405116 VT-SWKA3-5-1X/V0/0
      0811405115 VT-VACAS-500-10/V0/LVAR
      0811405114 VT-PA-3
      0811405111 VT-BNE1-5-1X/V0/0
      0811405110 VT-VPRAP1-540-10/V0
      0811405109 VT-MNE1-5-1X/V0/0
      0811405108 VT-SWMA3-5-1X/V0/0
      0811405107 VT-SWMA2-5-1X/V0/0
      0811405106 VT-MSPA2-525-10/V0
      0811405105 VT-SWMA1-5-1X/V0/0
      0811405104 VT-VRPA1-537-10/V0/QV-RTP
      0811405103 VT-VRPA1-527-10/V0/QV-RTP
      0811405099 VT-VRPA1-537-10/V0/QV
      0811405098 VT-VRPA1-527-10/V0/QV
      0811405094 VT-SWKA2-5-1X/V0/0
      0811405093 VT-SWKA1-5-1X/V0/0
      0811405090 VT-VPRAS1-527-10/V0
      0811405088 VT-VARAP1-527-10/V0/3/2VAX
      0811405087 VT-VARAP1-527-10/V0/2STV
      0811405086 VT-VARAP1-537-10/V0/5/3V
      0811405085 VT-VARAP1-537-10/V0
      0811405084 VT-VARAP1-527-10/V0
      0811405083 VT-KRRA2-527-20/V0/2CH
      0811405082 VT-KRRA2-537-20/V0/
      0811405081 VT-VSPA1-508-10/V0/RTP
      0811405080 VT-VSPA2-525-10/V0/RTP
      0811405079 VT-VSPA1-525-10/V0/RTP
      0811405078 VT-VRPA1-542-10/V2
      0811405077 VT-KPRAP1-537-10/V16
      0811405076 VT-VRPA1-527-20/V0/2/2V
      0811405075 VT-VARAI-500-10/V0/VLRC
      0811405074 VT-VRPA1-527-20/V0/RTS-2/2V
      0811405073 VT-VRPA1-527-20/V0/RTS-2STV
      0811405070 VT-VRRA1-537-20/V0/KV-AGC
      0811405069 VT-VRRA1-527-20/V0/KV-AGC
      0811405060  VT-VRRA1-527-20/V3   现货  
      0811405061  VT-VRRA1-537-20/V0   现货  
      0811405063  VT-VRRA1-527-20/V0/2STV 现货    
      0811405065  VT-VRRA1-527-20/V0/K40-AGC     
      0811405066  VT-VRRA1-527-20/V0/K60-AGC
      0811405067  VT-VRRA1-537-20/V0/K40-AGC
      0811405074  VT-VRPA1-527-20/V0/RTS-2/2V
      0811405097  VT-VRPA1-537-10/V0/PV
      0811405098  VT-VRPA1-527-10/V0/QV
      0811405102  VT-VRPA1-537-10/V0/PV-RTP     
      0811405104  VT-VRPA1-537-10/V0/QV-RTP
      0811405106  VT-MSPA2-525-10/V0     
      0811405126  VT-MSPA1-508-10/V0     
      0811405127  VT-MSPA1-525-10/V0     
      0811405143  VT-SSPA1-525-2X/V0
      0811405144  VT-SSPA1-508-20/V0     
      0811405540  HM18-1X/210-V-S/V0/0
      0811405547 HM18-1X/350-V-S/V0/0
      0811405554 HM18-1X/100-V-S/V0/0
      0811405553 HM18-1X/350-D-R/V0/0
      0811405552 HM18-1X/210-D-R/V0/0
      0811405549 HM18-1X/060-C-S/V0/0
      0811405548 HM18-1X/100-C-S/V0/0
      0811405547 HM18-1X/350-V-S/V0/0
      0811405546 HM18-1X/350-C-B/V0/0
      0811405545 HM18-1X/210-C-B/V0/0
      0811405544 HM18-1X/350-C-R/V0/0
      0811405543 HM18-1X/210-C-R/V0/0
      0811405542 HM18-1X/350-C-S/V0/0
      0811405541 HM18-1X/210-C-S/V0/0
      0811405540 HM18-1X/210-V-S/V0/0
      0811405539 HM18-1X/160-C-B/V0/0
      0811405538 HM18-1X/350-N-S/V0/0
      0811405537 HM18-1X/100-N-S/V0/0
      0811405536 HM18-1X/200-N-S/V0/0
      0811405535 HM18-1X/350-N-B/V0/0
      0811405534 HM18-1X/200-N-B/V0/0
      0811405533 HM18-1X/060-V-S/V0/0
      0811405532 HM18-1X/350-V-R/V0/0
      0811405531 HM18-1X/210-V-R/V0/0
      0811404207现货
      0811404035现货
      0811402616现货
      0811403017现货
      0811402017现货
      0811402016现货
      0811404034现货
      0811404405现货
      0811404039现货
      0811404803现货
      0811404601现货
      0811404001现货
      0811404036现货
      DBETBX-1X/180G24-37Z4M现货
      4WRPH6C3B40L-20/G24 Z4/M
      4WRP10EA63S-1X/G24Z4/M现货
      VT-MSPA1-508-10/V0  0811405126
      VT-VSPA2-1-20/V0/T5
      VT-HNC100-1-23/W-08-P-0现货
      VT-HNC100-2-21/W-16-P-0  货期3-4周
      VT-VSPA1-1-1X     
      0811405079     
      0811405080 
      0811405095      
      0811405096     
      0811405097      
      0811405098    
      0811405099      
      0811405100     
      0811405101
      R900979888 VT-VRPA2-2-1X/V0/T5 
                 VT-VRPA2-2-2X/V0/T1
                 VT-VSPA1-2-1X/V0/0
      R900033823 VT-VSPA1-1-1X 
                 VT-VRPA1-100-1X/V0/0
      R900702060 VT-MSPA1-1-1X/V0/0 
      R900010961 VT11016-1X/ 
      R900721415 VT11010-1X/ 
                 VT-VSPD-1-2X/V0-0-0-1
      R900029790 VT-VSPA2-1-1X/T5 
      R900021909 VT-VSPA2-1-1X/T1 
      R900053778 VT-VSPA1K-1-1X 
      R900952205 VT-VRPA1-52-1X 
      R900979885 VT-VRPA2-1-1X/V0/T5 
      R900979887 VT-VRPA2-1-1X/V0/T1 
      R900019568 VT11023-1X 
      R900020289 VT11550-2X/ 
      R900562056 VT11037-1X 
                 VT3014-3X 
      R900019666 VT11025-16 
      R900019521 VT11024-16 
                 VT10468-3X/BO-RX
                 VT10468-3X/B0-R0
                 VT-VRPA1-151-1X/VO/O
                 VT-PVAR2-10/0 
      R900903731 VT-SR35-1X/1-2 
      0811405140 VT-MACAS-500-10/VO/I
      R900224163 VT-SWKA-1-1X/V0/0 
      R900952204 VT-VRPA1-51-1X 
      R900010959 VT11012-1X 
      R900010938 VT11015-1X 
                 VT-MSPA1-50-1X/V001
                 VT-MSPA1-508-10/V0 
      R900020746 VT10406-3X/FXY-0S-RXY 
      R900082431 VT10406-3X/FXY-1K-RXY 
                 VT-VRPA1-150-10/VO/0
      0811405099 VT-VRPA1-537-10/V0/QV 
      R900029274 VT-SR7-1X/1/A4VS.250HS 
      R900559948 VT-SR7-1X/1/A4VS125HS
      0811405097 VT-VRPA1-537-10/V0/PV
      R900976646 VT-SR2-1X/1-100 
                 VT-SR2-1X/1-60 
      0811405074 VT-VRPA1-527-20/V0/RTS-2/2V 
                 VT-MSPA1-525-1X/V0
                 VT-VSPA1-508-10/V0/RTP
      0811405073 VT-VRPA1-527-20/V0/RTS-2STV 
                 VT-VRRA1-537-20/V0 
      0811405061 VT-VRRA1-537-20-0 
                 VT-VRPA2-537-1X/V0/RTS
      0811405011由0811 405 102 VT-VRPA1-537-10-V0/PV-RTP
      0811405012 VT-VRPA1-537-10-V0/QV-RTP
                 VT-VETSY-1-1X/1-2-1-1-1/
                 VT-VRRA1-527-2X/V0/K40-AGC
      R901044346 VT-VPCD-1-1X/V0/1-0-1 
      R900958999 VT-HNC100-1-23/W-08-P-0 
                 VT-HNC100-2-21/W-16-P-0
                 VT-HNC100-1-30/P-I-00/000
                 VT-HNC100-1-23/W-08-0-0
                 VT-HNC100-4-30/P-I-00/G04
            
      0811405102     
      0811405103    
      0811405104 
      0811405175 
      0811405176     
      0811405179     
      0811405177     
      0811405178     
      0811405119      
      0811405120     
      0811405137      
      0811405138 
      0811405096      
      0811405097     
      0811405098      
      0811405099 
      VT-VRRA1-527-20/V0
      VT-MSPA2-525-10/V0现货 
      VT-VRRA1-527-20/VO
      VT-VRPA1-537-10/V0/PV现货
      VT-VRPA1-537-10/V0/QV-RTP现货
      0811405140 VT-MACAS-500-10/V0/1现货
      0811405144    VT-SSPA1-508-2X/V0
                    VT-VSPA1-1-11 现货
      0811405063    VT-VRRA1-527-20/V0/2STV 现货
                    VT3002-2X/32D  现货
                    VT-VSPA1-1-11 
                    VT-HNC100-2-2X/W-16-P-0
                    VT-VRRA1-527-20/VO
      R900033823    VT-VSPA1-1-11
      R900020153    VT-3002-2X/32D
      0811405126
      4WRZE25W8-220-7X/6EG24N9K31/A1D3V现货
      4WRPE10EA80SJ-2X/G24K0/A1M-798力士乐比例阀
      0811405006 VT-VRPA1-500-20/V0
      0811405025 VT-VRPA 1-515-20/V0/T2
      0811405041 VT-SSPA 1-525-10/V0
      0811405042 VT-KARAP1-537-10/V16
      0811405043 VT-KARA 1-541-10/V16
      0811405044 VT-KARA 1-543-10/V16
      0811405045 VT-KARA 1-542-10/V16
      0811405047 VT-KACAI -542-10/V16
      0811405048 VT-KPPA 1-541-10/V16
      0811405051 VT-MACAI -500-10/V26
      0811405052 VT-NE500-1X/V0/0
      0811405058 VT-MARAM1-537-10/V18
      0811405060 VT-VRRA 1-527-20/V0
      0811405061 VT-VRRA 1-537-20/V0
      0811405062 VT-VRPA1-537-10/V0
      0811405063 VT-VRRA 1-527-20/V0/2STV
      0811405064 VT-VRPA 1-527-20/V0/PO-IS
      0811405065 VT-VRRA 1-527-20/V0/K40-AGC
      0811405066 VT-VRRA 1-527-20/V0/K60-AGC
      0811405067 VT-VRRA 1-537-20/V0/K40-AGC
      0811405068 VT-VRRA 1-527-20/V0/K40-AGC-2STV
      0811405069 VT-VRRA 1-527-20/V0/KV-AGC
      0811405070 VT-VRRA 1-537-20/V0/KV-AGC
      0811405073 VT-VRPA 1-527-20/V0/RTS-2STV
      0811405074 VT-VRPA 1-527-20/V0/RTS-2/2V
      0811405075 VT-VARAI -500-10/V0/VLRC
      0811405076 VT-VRPA 1-527-20/V0/2/2V
      0811405077 VT-KPRAP1-537-10/V16
      0811405078 VT-VRPA 1-542-10/V2
      0811405079 VT-VSPA 1-525-10/V0/RTP
      0811405080 VT-VSPA 2-525-10/V0/RTP
      0811405081 VT-VSPA 1-508-10/V0/RTP
      0811405082 VT-KRRA 2-537-20/V0/
      0811405083 VT-KRRA 2-527-20/V0/2CH
      0811405084 VT-VARAP1-527-10/V0
      0811405085 VT-VARAP1-537-10/V0
      0811405086 VT-VARAP1-537-10/V0/5/3V
      0811405087 VT-VARAP1-527-10/V0/2STV
      0811405088 VT-VARAP1-527-10/V0/3/2VAX
      0811405090 VT-VPRAS1-527-10/V0
      0811405093 VT-SWKA1-5-1X/V0/0
      0811405094 VT-SWKA2-5-1X/V0/0
      0811405098 VT-VRPA 1-527-10/V0/QV
      0811405099 VT-VRPA 1-537-10/V0/QV
      0811405103 VT-VRPA 1-527-10/V0/QV-RTP
      0811405104 VT-VRPA 1-537-10/V0/QV-RTP
      0811405105 VT-SWMA1-5-1X/V0/0
      0811405106 VT-MSPA 2-525-10/V0
      0811405107 VT-SWMA2-5-1X/V0/0
      0811405108 VT-SWMA3-5-1X/V0/0
      0811405109 VT-MNE1-5-1X/V0/0
      0811405110 VT-VPRAP1-540-10/V0
      0811405111 VT-BNE1-5-1X/V0/0
      0811405114 VT-PA-3
      0811405115 VT-VACAS-500-10/V0/LVAR
      0811405116 VT-SWKA3-5-1X/V0/0
      0811405118 VT-PA-1
      0811405119 VT-VRPA 2-527-10/V0/RTP
      0811405120 VT-VRPA 2-537-10/V0/RTP
      0811405121 VT-SWMA4-5-1X/V0/0
      0811405122 VT-MARAM1-537-10/V0/X2
      0811405123 VT-VRRA 1-527-10/V0
      0811405124 VT-VACAP-500-10/V0
      0811405125 VT-VPRAP1-540-10/V0/T
      0811405126 VT-MSPA 1-508-10/V0
      0811405128 VT-VACAI -500-10/V0/VLRD
      0811405129 VT-VACDS -500-10/V0/DM
      0811405131 VT-VACDS -500-10/V0/DMS
      0811405132 VT-VACDS -500-10/V0/AMS
      0811405133 VT-VARAM1-527-10/V18
      0811405134 VT-VARAM2-537-10/V18
      0811405135 VT-VARAM1-527-10/V0/TIME
      0811405137 VT-VRPA 2-527-10/V0/RTS
      0811405138 VT-VRPA 2-537-10/V0/RTS
      0811405139 VT-MACAS-500-10/V0
      0811405140 VT-MACAS-500-10/V0/I
      0811405141 VT-KACAB-500-10/V0
      0811405143 VT-SSPA 1-525-20/V0
      0811405144 VT-SSPA1-508-20/V0
      0811405145 VT-SSPA 1-525-20/V0/I
      0811405146 VT-VNE1-5-1X/V0/0
      0811405147 VT-VACAF-500-10/V0
      0811405148 VT-VRRA 1-527-10/V0/RV
      0811405149 VT-VACAP-500-10/V0/2CH
      0811405150 VT-VACAS-500-10/V0/HRV
      0811405151 VT-NE502-1X/V0/0
      0811405152 VT-VARAP1-527-20/V0
      0811405153 VT-VARAP1-537-20/V0
      0811405154 VT-VARAP1-537-20/V0/5/3V
      0811405155 VT-VARAP1-527-20/V0/2STV
      0811405156 VT-VARAP1-527-20/V0/3/2VAX
      0811405157 VT-VACAP-500-20/V0
      0811405158 VT-VACAP-500-20/V0/2CH
      0811405159 VT-VPRAP1-540-10/V0/SI
      0811405160 VT-VPRAP1-540-10/V0/T-SI
      0811405162 VT-SSPA 1-508-20/V0/I
      0811405163 VT-PA-2
      0811405164 VT-SWMA5-5-1X/V0/0
      0811405166 VT-PE-TB1
      0811405167 VT-PE-TB2
      0811405168 VT-PE-TB3
      0811405169 VT-SSBD 1-500-10/V0/A
      0811405170 VT-SSBD 2-500-10/V0/A
      0811405171 VT-SSBD 2-500-10/V0/A-2E
      0811405172 VT-GPCPD-500-10/V0/C
      0811405173 VT-PA-5
      0811405174 LEITERPLATTE BEST.
      0811405177 VT-VRPA1-527-1X/V0/QV-RTS
      0811405178 VT-VRPA1-537-1X/V0/QV-RTS
      0811405531 HM18-1X/210-V-R/V0/0
      0811405532 HM18-1X/350-V-R/V0/0
      0811405533 HM18-1X/060-V-S/V0/0
      0811405534 HM18-1X/200-N-B/V0/0
      0811405535 HM18-1X/350-N-B/V0/0
      0811405536 HM18-1X/200-N-S/V0/0
      0811405537 HM18-1X/100-N-S/V0/0
      0811405538 HM18-1X/350-N-S/V0/0
      0811405539 HM18-1X/160-C-B/V0/0
      0811405540 HM18-1X/210-V-S/V0/0
      0811405541 HM18-1X/210-C-S/V0/0
      0811405542 HM18-1X/350-C-S/V0/0
      0811405543 HM18-1X/210-C-R/V0/0
      0811405544 HM18-1X/350-C-R/V0/0
      0811405545 HM18-1X/210-C-B/V0/0
      0811405546 HM18-1X/350-C-B/V0/0
      0811405547 HM18-1X/350-V-S/V0/0
      0811405548 HM18-1X/100-C-S/V0/0
      0811405549 HM18-1X/060-C-S/V0/0
      0811405552 HM18-1X/210-D-R/V0/0
      0811405553 HM18-1X/350-D-R/V0/0
      0811405554 HM18-1X/100-V-S/V0/0
      0811405068 VT-VRRA1-527-20/V0/K40-AGC-2STV

      VT-MACAS-500-10/V0/1   VT-MACAS-500-10/V0/1   VT-MACAS-500-10/V0/1
      VT-MACAS-500-10/V0/1   VT-MACAS-500-10/V0/1   VT-MACAS-500-10/V0/1
      VT-MACAS-500-10/V0/1   VT-MACAS-500-10/V0/1   VT-MACAS-500-10/V0/1

      2
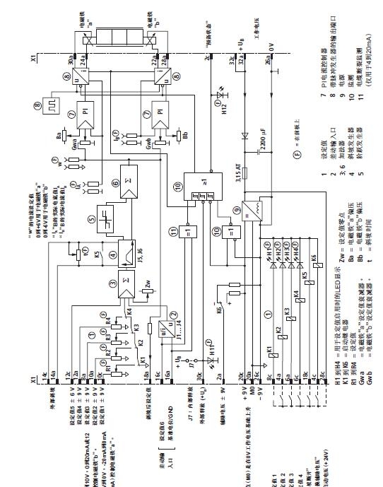
      /18 Bosch Rexroth AG   HydraulicsVT-VPCD   RC 30028/03.09 数字控制电子元件 VT-VPCD 的特点 所需附件: – PC 程序 BODAC:CD 的订货代码:SYS-HACD-BODAC-01(R900777335),或在 Internet 上免费下载,网址为  www.boschrexroth.com/vpcd – 接口电缆:电缆线组 VT-HACD-1X/03.0/HACD-PC(R900776897)或商用 1:1 电缆配套的板卡插槽: – 19 英寸机架类型 VT 19101,VT 19102,VT 19103 和 VT 19110(请参阅 RC 29768) – VT 12302 类型全封闭式板卡插槽(请参阅 RC 30103)(标准),材料编号 R900784153 – VT 3002-2X/64G 类型开放式板卡插槽(请参阅 RC 29928),材料编号 R900991843(仅供在控制柜中安装!)– 连接接头 VT10812-2X/64G(请参阅 RC 30105),材料编号 R900713826 可通过串行接口配置放大器。用户数据可完全复现,并使其免于无意或未授权的修改。 – 用于调用预设参数的数字输入 1)– 转角和压力控制值的斜坡时间 1)– 控制值和实际值的模拟输入 1)– 选通输入和综合故障输出 1)– 两个感应测量系统的振荡器/解调器– 定时电流调节输出级
      – 内部电源电压的开关模式的电源设备– 功能和状态 LED – 可通过显示和/或 Bodac 配置的 2 个测量插口 订货代码
      VT–VPCD 11X11 用于控制可变排量轴向柱塞泵的数字控制电子元件   10 至 19 系列  = 1X (10 至 19:安装和连接尺寸不变) 用于具有 AWX F004 D01 类型转角传感器的 轴向柱塞泵 A4VS…HS4,以及具有 MCP-40/4742 类型转角传感器的轴向柱塞泵 A2V…EO4(带壳泵) = V0用于具有 DK 100 类型转角传感器的轴向柱塞泵 A2V…EO4(内置泵)(仅可提供无总线的设备) 
      = V100 1 =  带阀输出级0 = 无总线连接P = PROFIBUS DPV0 D = DeviceNetC = CANopen 1 =  带显示屏 – 串行接口 RS 232 –  通过局部总线,最多可互连 32 个控制电子元件进行参数设置和诊断 – 大小的选择(A4VS…HS4 的大小从 40 至 1000,A2V…EO4 的大小从 500 至 1000)和参数化通过 BODAC 进行– 阀位置控制器 – 带置底转角控制器的压力控制器– 可配置的功率限制– 泄漏补偿– 主从能力– 系泊能力– 输出显示功能– 可配置的测试输出– 诊断显示 标准类型 材料编号
      VT-VPCD-1-1X/V0/1-0-1
      VT-VPCD-1-1X/V0/1-C-1
      VT-VPCD-1-1X/V0/1-D-1
      VT-VPCD-1-1X/V0/1-P-1
      VT-VPCD-1-1X/V100/1-0-1 
      Rexroth力士乐放大器RZMO-A-030/210
      HR-013
      DHI-06131/2
      SDSPM22-AB
      SDSPM22-BA
      AM22100B-G24
      DKE-1631
      专业提供各品牌电液比例阀放大板/比例阀控制器/数字式比例放大器/比例阀放大器/比压比流放大板/压力流量放大板/双比例阀放大板/电液比例溢流阀放大板/电子比例放大器/比例电子放大器/

      VT-VRRA1-527-20/V0
      VT-MACAS-500-10/V0/1 
      VT-VRRA1-527-20/VO
      VT-VRPA1-537-10/V0/PV现货
      VT-VRPA1-537-10/V0/QV-RTP现货

      0811405144    VT-SSPA1-508-2X/V0
                    VT-VSPA1-1-11 现货
      0811405063    VT-VRRA1-527-20/V0/2STV 现货
                    VT3002-2X/32D  现货
                    VT-VSPA1-1-11 
                    VT-HNC100-2-2X/W-16-P-0
                    VT-VRRA1-527-20/VO
      R900033823    VT-VSPA1-1-11
      R900020153    VT-3002-2X/32D
      0811405126
      0811405060  VT-VRRA1-527-20/VO
      0811405178 VT-VRPA1-537-1X/V0/QV-RTS
      0811405177 VT-VRPA1-527-1X/V0/QV-RTS
      0811405174 LEITERPLATTEBEST.
      0811405173 VT-PA-5
      0811405172 VT-GPCPD-500-10/V0/C
      0811405171 VT-SSBD2-500-10/V0/A-2E
      0811405170 VT-SSBD2-500-10/V0/A
      0811405169 VT-SSBD1-500-10/V0/A
      0811405168 VT-PE-TB3
      0811405167 VT-PE-TB2
      0811405166 VT-PE-TB1
      0811405164 VT-SWMA5-5-1X/V0/0
      0811405163 VT-PA-2
      0811405162 VT-SSPA1-508-20/V0/I
      0811405160 VT-VPRAP1-540-10/V0/T-SI
      0811405159 VT-VPRAP1-540-10/V0/SI
      0811405158 VT-VACAP-500-20/V0/2CH
      0811405157 VT-VACAP-500-20/V0
      0811405156 VT-VARAP1-527-20/V0/3/2VAX
      0811405155 VT-VARAP1-527-20/V0/2STV
      0811405154 VT-VARAP1-537-20/V0/5/3V
      0811405153 VT-VARAP1-537-20/V0
      0811405152 VT-VARAP1-527-20/V0
      0811405151 VT-NE502-1X/V0/0
      0811405150 VT-VACAS-500-10/V0/HRV
      0811405149 VT-VACAP-500-10/V0/2CH
      0811405148 VT-VRRA1-527-10/V0/RV
      0811405147 VT-VACAF-500-10/V0
      0811405146 VT-VNE1-5-1X/V0/0
      0811405145 VT-SSPA1-525-20/V0/I
      0811405144 VT-SSPA1-508-20/V0
      0811405143 VT-SSPA1-525-20/V0
      0811405141 VT-KACAB-500-10/V0
      0811405140 VT-MACAS-500-10/V0/I
      0811405139 VT-MACAS-500-10/V0
      0811405138 VT-VRPA2-537-10/V0/RTS
      0811405137 VT-VRPA2-527-10/V0/RTS
      0811405135 VT-VARAM1-527-10/V0/TIME
      0811405134 VT-VARAM2-537-10/V18
      0811405133 VT-VARAM1-527-10/V18
      0811405132 VT-VACDS-500-10/V0/AMS
      0811405131 VT-VACDS-500-10/V0/DMS
      0811405129 VT-VACDS-500-10/V0/DM
      0811405128 VT-VACAI-500-10/V0/VLRD
      0811405126 VT-MSPA1-508-10/V0
      0811405125 VT-VPRAP1-540-10/V0/T
      0811405124 VT-VACAP-500-10/V0
      0811405123 VT-VRRA1-527-10/V0
      0811405122 VT-MARAM1-537-10/V0/X2
      0811405121 VT-SWMA4-5-1X/V0/0
      0811405120 VT-VRPA2-537-10/V0/RTP
      0811405119 VT-VRPA2-527-10/V0/RTP
      0811405118 VT-PA-1
      0811405116 VT-SWKA3-5-1X/V0/0
      0811405115 VT-VACAS-500-10/V0/LVAR
      0811405114 VT-PA-3
      0811405111 VT-BNE1-5-1X/V0/0
      0811405110 VT-VPRAP1-540-10/V0
      0811405109 VT-MNE1-5-1X/V0/0
      0811405108 VT-SWMA3-5-1X/V0/0
      0811405107 VT-SWMA2-5-1X/V0/0
      0811405106 VT-MSPA2-525-10/V0
      0811405105 VT-SWMA1-5-1X/V0/0
      0811405104 VT-VRPA1-537-10/V0/QV-RTP
      0811405103 VT-VRPA1-527-10/V0/QV-RTP
      0811405099 VT-VRPA1-537-10/V0/QV
      0811405098 VT-VRPA1-527-10/V0/QV
      0811405094 VT-SWKA2-5-1X/V0/0
      0811405093 VT-SWKA1-5-1X/V0/0
      0811405090 VT-VPRAS1-527-10/V0
      0811405088 VT-VARAP1-527-10/V0/3/2VAX
      0811405087 VT-VARAP1-527-10/V0/2STV
      0811405086 VT-VARAP1-537-10/V0/5/3V
      0811405085 VT-VARAP1-537-10/V0
      0811405084 VT-VARAP1-527-10/V0
      0811405083 VT-KRRA2-527-20/V0/2CH
      0811405082 VT-KRRA2-537-20/V0/
      0811405081 VT-VSPA1-508-10/V0/RTP
      0811405080 VT-VSPA2-525-10/V0/RTP
      0811405079 VT-VSPA1-525-10/V0/RTP
      0811405078 VT-VRPA1-542-10/V2
      0811405077 VT-KPRAP1-537-10/V16
      0811405076 VT-VRPA1-527-20/V0/2/2V
      0811405075 VT-VARAI-500-10/V0/VLRC
      0811405074 VT-VRPA1-527-20/V0/RTS-2/2V
      0811405073 VT-VRPA1-527-20/V0/RTS-2STV
      0811405070 VT-VRRA1-537-20/V0/KV-AGC
      0811405069 VT-VRRA1-527-20/V0/KV-AGC
      0811405060  VT-VRRA1-527-20/V3   现货  
      0811405061  VT-VRRA1-537-20/V0   现货  
      0811405063  VT-VRRA1-527-20/V0/2STV 现货    
      0811405065  VT-VRRA1-527-20/V0/K40-AGC     


      0811405066  VT-VRRA1-527-20/V0/K60-AGC
      0811405067  VT-VRRA1-537-20/V0/K40-AGC
      0811405074  VT-VRPA1-527-20/V0/RTS-2/2V
      0811405097  VT-VRPA1-537-10/V0/PV
      0811405098  VT-VRPA1-527-10/V0/QV
      0811405102  VT-VRPA1-537-10/V0/PV-RTP     
      0811405104  VT-VRPA1-537-10/V0/QV-RTP
      0811405106  VT-MSPA2-525-10/V0     
      0811405126  VT-MSPA1-508-10/V0     
      0811405127  VT-MSPA1-525-10/V0     
      0811405143  VT-SSPA1-525-2X/V0
      0811405144  VT-SSPA1-508-20/V0     
      0811405540  HM18-1X/210-V-S/V0/0
      0811405547 HM18-1X/350-V-S/V0/0
      0811405554 HM18-1X/100-V-S/V0/0
      0811405553 HM18-1X/350-D-R/V0/0
      0811405552 HM18-1X/210-D-R/V0/0
      0811405549 HM18-1X/060-C-S/V0/0
      0811405548 HM18-1X/100-C-S/V0/0
      0811405547 HM18-1X/350-V-S/V0/0
      0811405546 HM18-1X/350-C-B/V0/0
      0811405545 HM18-1X/210-C-B/V0/0
      0811405544 HM18-1X/350-C-R/V0/0
      0811405543 HM18-1X/210-C-R/V0/0
      0811405542 HM18-1X/350-C-S/V0/0
      0811405541 HM18-1X/210-C-S/V0/0
      0811405540 HM18-1X/210-V-S/V0/0
      0811405539 HM18-1X/160-C-B/V0/0
      0811405538 HM18-1X/350-N-S/V0/0
      0811405537 HM18-1X/100-N-S/V0/0
      0811405536 HM18-1X/200-N-S/V0/0
      0811405535 HM18-1X/350-N-B/V0/0
      0811405534 HM18-1X/200-N-B/V0/0
      0811405533 HM18-1X/060-V-S/V0/0
      0811405532 HM18-1X/350-V-R/V0/0
      0811405531 HM18-1X/210-V-R/V0/0

      0811404207现货
      0811404035现货
      0811402616现货
      0811403017现货
      0811402017现货
      0811402016现货
      0811404034现货
      0811404405现货
      0811404039现货
      0811404803现货
      0811404601现货
      0811404001现货
      0811404036现货
      DBETBX-1X/180G24-37Z4M现货
      4WRPH6C3B40L-20/G24 Z4/M
      4WRP10EA63S-1X/G24Z4/M现货

      4WRZE25W8-220-7X/6EG24N9K31/A1D3V现货
      4WRPE10EA80SJ-2X/G24K0/A1M-798力士乐比例阀
      欧板式放大器:
      VT2000-5X/,
      VT3000-3X/,
      VT3006-3X/,
      VT3015-2X/,
      VT5004S2X,
      VT5010S2X,
      VT-VRPA1-50-1X/,
      VT-VRPA1-51-1X/,
      VT-VRPA1-52-1X/,
      VT-VRPA2-1-1X/,
      VT-VRPA2-2-1X/,
      VT-SR2-1X,
      VT-VSPA1-1-1X/,
      VT-VSPA1K-1-1X/,
      VT-VSPA2-1-1X/,
      VT-VSPA2-50-1X/,
      VT-SWKA-1-1X/,
      VT-VRPD-1-1X/V0/0,
      VT-VRPD-2-1X/V0/0,
      VT-VSPD-1-1X/V0/0,
      VT-SWKD-1-1X/,
      VT-PVAR2-1X/,
      VT-PVPQ1-1X/0,
      VT-PVNR-1-1X/,
      VT-HNC100-1-2X/,
      VT16000-2X/。
      模块式放大器:
      VT11004-1X/,
      VT11007-1X/,
      VT11010-1X/,
      VT11015-1X/,
      VT11016-1X/,
      VT11021-1X/,
      VT11030-1X/,
      VT11031-1X/,
      VT11032-1X/,
      VT11033-1X/,
      VT11034-1X/,
      VT11037-1X/,
      VT11118-1X/,
      VT11131-1X/,
      VT11132-1X/,
      VT11550-2X/
      VT11554-2X/,
      VT11165-1X/,
      VT-MRPA2-1-1X,
      VT-MRPA2-2-1X,
      VT-MSPA1-50-1X,
      VT-MSPA1-1-1X/,
      VT-SWMA-1-1X/,
      VT-SWMAK-1-1X/,
      VT11012-1X

      Rexroth力士乐放大器
      DKC03.3-100-7/ 
      DKC03.3-040-7 
      VT13037 
      DKS01.1-W050-DA01-01-FW VT11724-1X 
      欧板式放大器: 
      VT11550-2X/ 
      VT2000-5X/ 
      VT10468-3X/FO-RX 
      VT3000-3X/ VM5D.0/-LED 
      VT3006-3X/VT3015-2X/ VG 95234 E-10SL-3SN PLUG 
      VT5004S2X VG 95234 D-10SL-3SN 
      VT5010S2X 
      VT-VRPA2-2-1X/V0/T5 
      VT-VRPA1-50-1X/ 
      VT-VRPA1-51-1X/ 
      VT-VRPA1-51-1X/ 
      VT5041-2X/1 
      VT-VRPA1-52-1X/ 
      VT5015-3X/R5E 
      VT-VRPA2-1-1X/ 
      VT5013-3X/R5E 
      VT-VRPA2-2-1X/ 
      VT5003-4X/R5E 
      VT-SR2-1XVT-VSPA1-1-1X/ 
      VT12321-2X 
      VT-VSPA1K-1-1X/
      VT-VSPA2-1-1X/ 
      VT11073-1X/ 
      VT-VSPA2-50-1X/ 
      VT11034-1X 
      VT-SWKA-1-1X/ 
      VT11024-1X/ 
      VT-VRPD-1-1X/V0/0 
      VT11021-1X 
      VT-VRPD-2-1X/V0/0 VR2ES.0 
      VT-VSPD-1-1X/V0/0 V2BA1B 
      VT-SWKD-1-1X/ 
      VT-VRPA1-50-1X/ 
      VT-PVAR2-1X/ 
      VT-VETSY-1-1X/1-2-1-1-1/(PRUEFG.+KOFFER) 
      VT-PVPQ1-1X/0 
      VT-SVTAK-1-1X/ADAPTERKABEL 
      VT-PVNR-1-1X/ 
      VT-HACD-02-1X/V0/1-0-0 
      VT-HNC100-1-2X/ 
      VT5010-2X/R5E 
      VT16000-2X/ 
      VT3006-3X/ 
      VT3002-2X/64G 
      VT2000-5X/ 
      模块式放大器: 
      VT11131-1X/ 
      VT11004-1X/ 
      VT11013-1X 
      VT11007-1X/ 
      VT10468-3X/F4-RX 
      VT11010-1X/ 
      VT10406-3X/FXY-OK-RXY 
      VT11015-1X/ VR2E.0 
      VT11016-1X/ VITON SEAL KIT FOR A4VSO71 
      VT11021-1X/ 
      VT-SR2-1X/1-100 
      VT11030-1X/
      VT-HNC100-2-2X/W-16-P-0 
      VT11031-1X/ 
      VT-DFPE-A-2X/G24K0/0A2V/V 
      VT11032-1X/ 
      VT5013-3X/R5E 
      VT11033-1X/ 
      VT5007-1X/ 
      VT11034-1X/ 
      VT5004-2X/R5E 
      VT11037-1X/ 
      VT3002-2X/48F 
      VT11118-1X/
       VT3000-3X/ 
      VT11131-1X/ 
      VT1600-3X/1E 
      VT11132-1X/ 
      VT13477-2X/3 
      VT11550-2X/-VT11554-2X/ 
      VT12302-2X/ 
      VT11165-1X/ 
      VT11078-2X 
      VT-MRPA2-1-1X 
      VT11023-1X 
      VT-MRPA2-2-1X 
      VT-VSPA1-1-1X 
      VT-MSPA1-50-1X 
      VT-MSPA1-1-1X/V0/0
      VT-MSPA1-1-1X/ 
      VT-VSPA1-2-1X/V0/0
      VT-SWMA-1-1X/ 
      VT5003 42/R5E已停产,被VT-VRPA1-100-1X + 3HE/4TE代替
      VT-SWMAK-1-1X/ 
      VT-VSPA2-50-10/T1/ 
      VT-VSPA2-50-1X/T1
      IndraDrive C紧凑式驱动器HCS02 VT-VSPA2-1-1X/T1
      IndraDrive C紧凑式驱动器HCS03 VT-VSPA2-1-1X/T5 
      IndraDrive M 模块式逆变器 HMS01 HMD01 VT11011-1X
      IndraDrive M 电源模块 HMV01 TVD1.2-15-03 VT-SWMA-1-1X/VO/O
      VT-VRPA2-1-1X/V0/T5 
      VT-VSPA2-1-1X/T1
      VT-VRPA2-1-1X/V0/T5 
      VT-VSPA2-1-1X/T5
      VT-11011-1X 
      VT-VSPA2-50-1X/T1
      VT-VSPA1-1-1X/V0/0 
      VT-VSPA2-50-1X/T5
      VT10468-3X/BD 
      VT-VRPA2-1-1X/V0/T1
      VT-VSPA1K-1-1X 
      VT-VSPA1-1-1X/ C 
      VT11131-1X/ 
      VT-UK2-3X/ 
      VT11006-1X 
      VT-VSPA2-50-1X/T5 
      VT10406-3X/FXY-1S-RXY 
      VT-VRPA2-1-1X/VO/T5 VR2C.0 
      VT-TRPD-2-1X/V0/0 VITON SEAL KIT FOR SL10PA2-3X 
      VT-SR2-1X/1-60 VDO RUDDER ANGLE INDICATOR N03 200 602 
      VT-PVAR2-1X/2 
      VT-VSPA2-50-1X/T5 
      VT-NE32-1X/ 
      VT-VSPA2-50-1X/T1 
      VT-HNC100-2-2X/W-16-0-0 
      VT-VRPA2-1-1X/VO/T1 
      VT-HACDB-1-1X/V0/1-0-0 
      VT5014-3X/R5E 
      VT5041-2X/1 
      VT5014-3X/R5E 
      VT5007-1X/ 
      VT5008-1X/ 
      VT5004-2X/R5E 
      VT5004-2X/R1E 
      VT3024-3X 
      VT12350-3X/0 
      VT3013-3X/ 
      VT11118-1X/ 
      VT3002-2X/48F 
      VT11013-1X 
      VT11132-1X/ VD5D.0/-L220 
      VT11118-1X/ 
      VT-VSPD-1-1X/V0/0 
      VT11031-2X/ 
      VT-VSPA2-1-1X/T1 
      VT11030-1X/ 
      VT-VRPA1-50-1X/ 
      VT10406-3X/FXY-0S-RXY 
      VT-TRPD-1-1X/V0/0 
      VT-VRPA1-52-1X/ VT-RK1-3X/ 
      VT-UK2-3X/ 
      VT-DFPE-A-2X/G24K0/0A0V/V 
      VT-SR1-1X/1/4WS2EE10 
      VT5005-1X/ C 
      VTS0908-1X/1/NETZGERAET NT3 
      VT5003-4X/R1E 
      VTS0223-2X/XPL1 
      VT5001S2X/R5E 
      VT5003-4X/R5E 
      VT3024-3X 
      VT1610-3X/E1/4WRD16-3X 
      VT3006-3X/ 
      VT12321-2X 
      VT1516-1X/ 
      VT11132-1X/ 
      VT12321-2X BB-3 
      VT10468-3X/B1-RX
       VT12270-1X/21-0500 
      VENT FOR 4WS2EM10-4X/..315M. 
      VT10468-3X/B3-RX 
      VT-VRPA2-2-1X/VO/T1 VR2D/L24 
      VT-VRPA2-2-1X/VO/T1 VD5D.0/-L110 
      VT-SR2-1X/1-60 
      VT-VSPA2-1-1X/T5 
      VT5036-1X/R5E 
      VT-VSPA1K-1-1X 
      VT5015S-3X/R1E 
      VT-VRPA2-2-1X/V0/T5 
      VT5013-3X/R1E 
      VT-VRPA1-51-1X/ 
      VT5001S2X/R5E 
      VT-SVTSY-1-1X/1-1-1-1-1 
      VT19104-10-1 
      VTS0102-1X/FUW14-7,4-8,1-1 
      VT12350-3X/0 
      VT-HNC100-1-2X/W-08-P-0 
      VT12304-2X/ 
      VT5035-1X/ (SMD) 
      VT11015-1X/ 
      VT5007S-1X/R5 
      VT11005-1X/ 
      VT3002-2X/32D CORE 
      VT10468-3X/FO-RX 
      VT12427-1X/ 
      VT-VSPA2-50-1X/T1 
      VT11023-1X 
      VT-VRPD-2-1X/V0/0 
      VT11012-1X/ 
      VT5036-1X/R5E 
      VT11006-1X 
      VT5003-4X/R1E 
      VT10468-3X/BO-RX 
      VT2000-5X/ C 
      VT10406-3X/FXY-OK-RXY 
      VT1610-3X/E1/
      VT11080-2X/ 
      VT-VRPD-2-1X/V0/0 
      VT11034-1X 
      VT-RK2-3X/ 

    0571-87774297